Performance characteristics
The mixing cylinder has a unique structure, high mixing efficiency, no dead corners, the cylinder body is made of stainless steel material, the inner and outer walls are polished, the appearance is beautiful, the mixing is uniform, and it has a wide range of uses.

Adapt to materials
This machine is used for mixing dry material particles in industries such as pharmaceuticals, chemicals, food, metallurgy, etc.Technical specifications

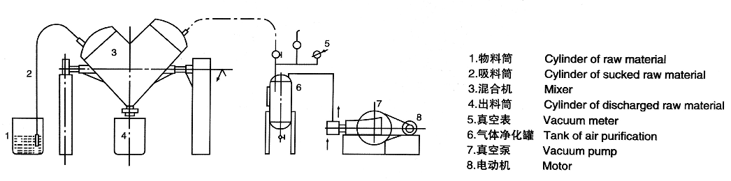
flow chart

Hot Tags: V blending machine V mixing machine V-type mixer
